XR4_Air Regulator_X Series Air Source Treatment Units_XMC (HUAYI) Pneumatic
You are here: Home » Products » Air Treatment Units » X Series » XR4_Air Regulator_X Series Air Source Treatment Units_XMC (HUAYI) Pneumatic

Product Category

loading

Share to:
sharethis sharing button

XR4_Air Regulator_X Series Air Source Treatment Units_XMC (HUAYI) Pneumatic

1.This series include air filter, pressure regulator, lubricator and their combinations.
2.The joint screw is G 1/4.
3.The components are light in structure and especially suitable for small pneumatic devices, e.g. Dental devices; Oxygen generator.
  • XR4

  • XMC

  • XR4

Pressure Regulating Range:
Weight:
Ambient Temperature:
Maxi. Working Pressure:
Availability:

001 900宽EN-A产品信息条


X Series Air Source Treatment Units


XR4 Air Regulator

Symbol       符号(减压阀)-样本page008

00 XR4展示主图-官网详情900宽


 Characteristic Curve of Flow Rate                          Overall Dimension Drawing(mm)


1 XR4-流量曲线和尺寸图EN


Features

1.This series include air filter, pressure regulator, lubricator and their combinations.

2.The joint screw is G 1/4. 

3.The components are light in structure and especially  suitable for small pneumatic devices, e.g. Dental devices,  Oxygen generator.


Specification

Order No. XR4
Pressure Regulating Range

0.05~0.25MPa

0.05~0.63MPa

Weight 0.135kg
Ambient Temperature 5~60℃
Maximum Working Pressure 1.0MPa


X系列-细节图EN


Model Code

322_订购码表page002EN900宽

X系列集合图EN


 Assembly Method                            Assembly Method of Double-Link Unit

Note:

A - Needle adjusting valve. Adjust the amount of oil spray.


B - Oil filling hole bolt. When oil refueling, firstly cut off the air source. And then screw B out, filling the oil to the required height. After refueling, screw B on to ensure the sealing.


C - Pressure regulating handwheel.When adjusting the pressure, lift C up to the adjusting position vertically, turn C to adjust the required pressure, then press down vertically, lock the handwheel C, and keep the pressure stable.

XFRU4+XL4

709_00样本说明-X系列page004-二联件连接方式


 Assembly Method of Triple-Link Unit

XF4+XR4+XL4

502_00样本说明-X系列page004-三联件连接方式


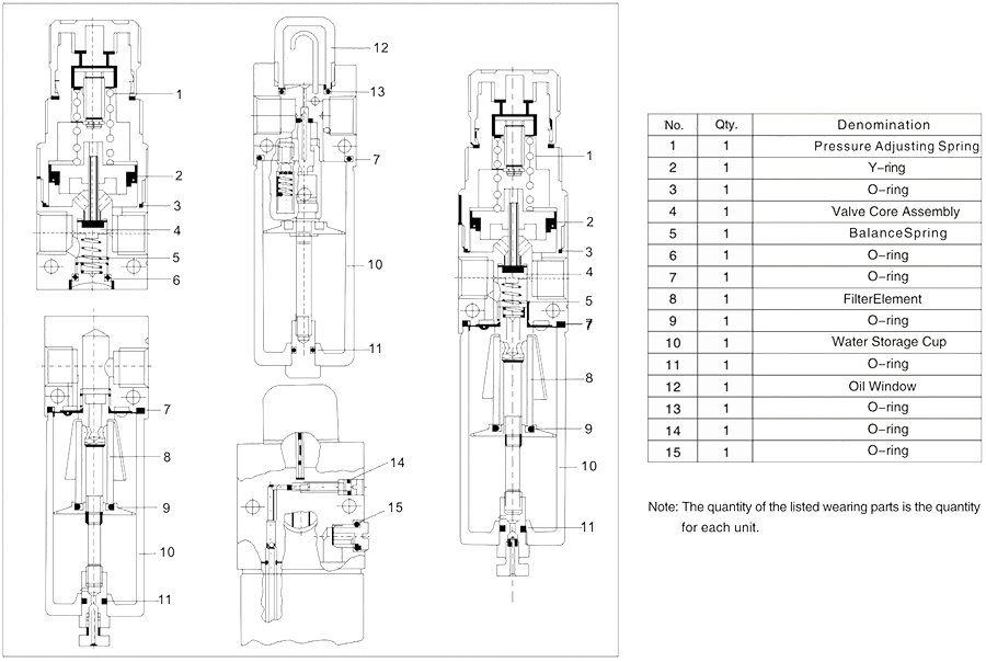
 Structural Diagram

824_00样本说明-X系列page004-结构简图EN


 Accessories

00样本说明-X系列page004-附件EN


001 900宽EN-B认证证书(荣誉)

证书CNEN

001 900宽EN-C展会

02C展会EN


001 900宽EN-D公司介绍

02D公司信息EN


001 900宽EN-E为何选择我们

02E为什么选择我们EN


001 900宽EN-F服务

02F我们的服务EN


001 900宽EN-G包装和交货

02G交货及运输EN


948_02H联系我们EN


Previous: 
Next: 
Facebook
Twitter
Google
LinkedIn
Tencent
CONTACT US
Add:NO.2, Huasheng Road, Xikou Industrial Zone, Ningbo, Zhejiang, China (Mainland)/315502
  • Contact Person
    Mr.Johnson Long
  • E-mail
    hy-xmc@hy-xmc.com
    xmc@xmc.com.cn (e-commercial only)

  • Sales Phone
    86-574-88882066